An example of an override controller in Aspen HYSYS Dynamics

Download as pdf : 
Products: Aspen HYSYS, Aspen HYSYS Dynamics 
Last Updated: 27-Apr-2020
Versions: 
Article ID: 000054388
Primary Subject: 

Problem Statement

An example of an override controller in Aspen HYSYS Dynamics.

Solution

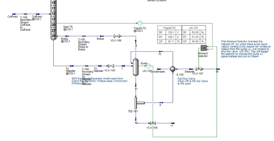
The Example is an override control example of a distillation column reboiler. This is implemented through a minimum selector, between the Tray 20 temperature control and the sump level control OP.

In this case the sump level controller "LIC-101" is operating the valve at around 40-50% openings, and the steam control valve to 25%. When the level in the sump is falling the controller "LIC-101" will start the "VLV-108" to close. However there might be cases where the level is still dropping to dangerous levels, for example because the pressure is falling down. To prevent this, a minimum selector between the minimum of the Tray 20 - Temperature Controller OP and LIC-OP (taken directly from the valve) is used. In this case if the sump level control OP is very low the controller will cut back the steam flow to the reboiler.

User-added image

Keywords

Override controller, selector controller

 

Attachments
Filename Date Added
OverrideControl_V10.hsc 28-Jul-2022